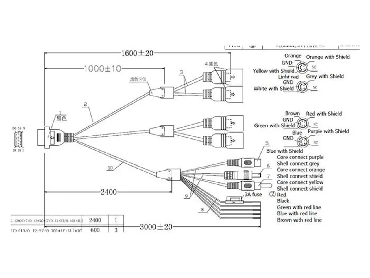
System Kabelsæt 4ch birdview
251 kr.
Indhent lånetilbud
Fra +18 banker
NV-Autodele.dk
Stort lager i Danmark, Mange modeller, Hurtig levering
System Kabelsæt 4ch BirdviewDette system kabelsæt er designet specielt til 4 CH Birdview systemet, hvilket gør installationen nem og effektiv. Med dette løse kabelsæt får du alle de nødvendige kompone
Se annoncen hos forhandlerenFlere detaljer
- Produkttype
- Andre reservedele
- Mærke
- psvt
- Varens stand
- Ny
Send med priser fra 44 kr.
Køb fragt hos Gul&Gratis








